
型号 |
D×P |
N | 丝杠 | 单螺母 | 螺母 |
正转 效率 |
反转 效率 | |||||||||||||||||||
() | (mm) | (KN) | (N2/3 μm) | {mm} | ||||||||||||||||||||||
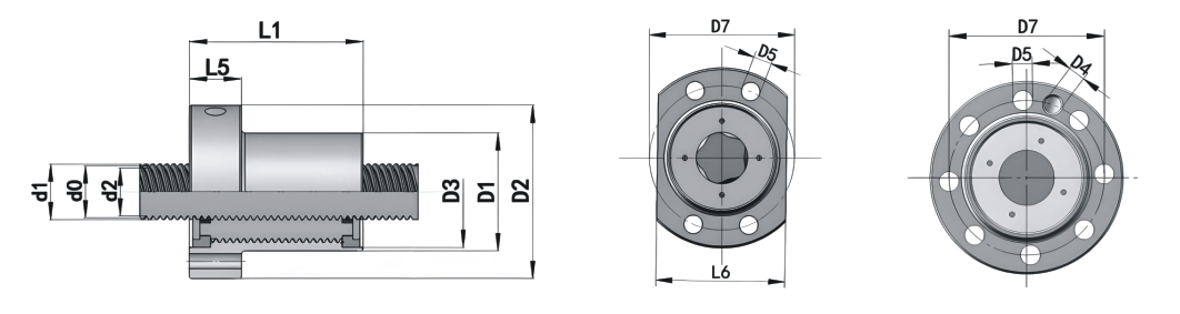
螺旋 升角 | φd1 | Φd0 | 中d2 | Ca | Coa | FK | 中D1 | φD2 | φD3 | φD4 | 中D5 | φD7 | L1 | L2 | L3 | L4 | L5 | L6 | ||||||||
RV |
20 | 2 |
5 | 1.87 | 19.64 |
19.5 | 19.32 | 47.8 | 59.7 | 80.3 |
42 |
64 |
39 |
5 |
M6 |
5.8 |
53 |
55 |
65 |
43.7 |
20 |
4 |
20 |
44 | 0.72 | 0.68 |
3 | 2.80 | 19.71 | 19.22 | 43.7 | 63.3 | 64.9 | 0.76 | 0.73 | ||||||||||||||||||
4 | 3.74 | 19.77 | 19.12 | 40.2 | 64.3 | 55.7 | 0.78 | 0.76 | ||||||||||||||||||
5 | 4.67 | 19.83 | 19.02 | 37.1 | 64.0 | 49.1 | 0.79 | 0.78 | ||||||||||||||||||
9 | 5.59 | 19.88 | 18.91 | 38.4 | 64.0 | 44.8 | 0.80 | 0.79 | ||||||||||||||||||
8 | 7.44 | 19.99 | 18.69 | 38.2 | 64.0 | 39.2 | 0.80 | 0.79 | ||||||||||||||||||
10 | 9.27 | 20.07 | 18.45 | 42.9 | 61.9 | 34.7 | 0.79 | 0.77 | ||||||||||||||||||
RV |
21 | 2 |
5 | 1.74 | 21.14 |
21 | 20.82 | 51.1 | 63.5 | 81.5 |
45 |
67 |
41 |
5 |
M6 |
5.8 |
56 |
55 |
65 |
47 |
20 |
5 |
18 |
47 | 0.72 | 0.66 |
3 | 2.60 | 21.21 | 20.72 | 46.9 | 67.7 | 65.7 | 0.75 | 0.72 | ||||||||||||||||||
4 | 3.47 | 21.27 | 20.62 | 43.2 | 68.9 | 56.5 | 0.78 | 0.76 | ||||||||||||||||||
5 | 4.33 | 21.33 | 20.52 | 39.9 | 68.8 | 49.8 | 0.79 | 0.77 | ||||||||||||||||||
6 | 5.20 | 21.39 | 20.42 | 41.5 | 69.0 | 45.3 | 0.80 | 0.78 | ||||||||||||||||||
8 | 6.91 | 21.49 | 20.20 | 41.4 | 69.3 | 39.7 | 0.80 | 0.79 | ||||||||||||||||||
10 | 8.62 | 21.59 | 19.97 | 46.7 | 67.2 | 35.1 | 0.80 | 0.78 | ||||||||||||||||||
RV |
23 | 2 |
5 | 1.62 | 22.64 |
22.5 | 22.32 | 54.4 | 67.2 | 82.7 |
48 |
71 |
44 |
5 |
M6 |
7.0 |
59 |
55 |
65 |
49.7 |
20 |
4 |
20 |
50 | 0.71 | 0.65 |
3 | 2.43 | 22.71 | 22.22 | 50.0 | 71.9 | 66.5 | 0.75 | 0.72 | ||||||||||||||||||
4 | 3.24 | 22.77 | 22.12 | 46.2 | 73.5 | 57.2 | 0.77 | 0.75 | ||||||||||||||||||
5 | 4.05 | 22.83 | 22.02 | 42.7 | 73.5 | 50.4 | 0.79 | 0.77 | ||||||||||||||||||
6 | 4.85 | 22.89 | 21.92 | 44.4 | 73.9 | 45.9 | 0.79 | 0.78 | ||||||||||||||||||
8 | 6.46 | 23.00 | 21.70 | 44.6 | 74.5 | 40.2 | 0.80 | 0.79 | ||||||||||||||||||
10 | 8.05 | 23.10 | 21.48 | 50.3 | 72.4 | 35.6 | 0.80 | 0.78 | ||||||||||||||||||
RV |
25 | 3 |
6 | 2.28 | 24.17 |
24 | 23.77 | 40.4 | 80.9 | 76.0 |
48 |
71 |
44 |
5 |
M6 |
7.0 |
59 |
48 |
58 |
49.7 |
18 |
4 |
20 |
50 | 0.74 | 0.71 |
9 | 4.55 | 24.33 | 23.52 | 44.6 | 73.6 | 49.9 | 0.79 | 0.78 | ||||||||||||||||||
12 | 9.04 | 24.57 | 22.95 | 52.2 | 74.8 | 35.3 | 0.79 | 0.78 | ||||||||||||||||||
2 |
5 | 1.52 | 24.14 |
24 | 22.82 | 78.0 | 93.2 | 100.5 |
53 |
84 |
48 |
5 |
M6 |
7.0 |
70 |
64 |
78 |
55.5 |
25 |
6 |
20 |
55 | 0.80 | 0.63 | ||
4 | 3.04 | 24.27 | 23.63 | 66.5 | 102.6 | 69.5 | 0.77 | 0.74 | ||||||||||||||||||
5 | 3.79 | 24.34 | 23.53 | 62.5 | 104.2 | 61.9 | 0.78 | 0.76 | ||||||||||||||||||
6 | 4.55 | 24.40 | 23.42 | 64.4 | 103.9 | 55.9 | 0.79 | 0.78 | ||||||||||||||||||
8 | 6.06 | 24.51 | 23.21 | 75.3 | 104.8 | 48.7 | 0.80 | 0.79 | ||||||||||||||||||
10 | 7.55 | 24.61 | 22.99 | 84.1 | 103.6 | 43.6 | 0.80 | 0.79 | ||||||||||||||||||
15 | 11.25 | 24.81 | 22.38 | 86.9 | 130.0 | 35.0 | 0.78 | 0.76 | ||||||||||||||||||
友情链接:
Copyright © 2025 西北机器有限公司 All Rights Reserved.
备案号:陕ICP备 05000872号
400-887-8872
扫一扫 关注我们
扫一扫 关注抖音